
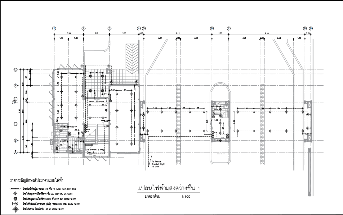
ออกแบบระบบไฟฟ้าและแสงสว่าง ซุ้มประตูทางเข้า (Main Gate) โครงการ นราเฮ้าส์ ไพรด์วิลล์ (Narahouse Pride Ville)
สร้างความประทับใจแรกด้วยแสงสว่างระดับพรีเมียม
ซุ้มทางเข้าโครงการ นราเฮ้าส์ ไพรด์วิลล์ (Narahouse Pride Ville) ถูกออกแบบโดยคำนึงถึงความสง่างามและความปลอดภัยเป็นหลัก ทีมงานได้ใช้ซอฟต์แวร์จำลองแสงเพื่อคำนวณค่าความสว่าง (Lux) ให้เหมาะสมกับพื้นที่ทางเข้า-ออก
ไฮไลท์การดำเนินงาน:
-
Lighting Simulation: มีการจำลองแสงแบบ 3D เพื่อให้เห็นทิศทางของแสงและการตกกระทบบนพื้นผิววัสดุของซุ้มประตู ก่อนการติดตั้งจริง
-
Architectural Highlight: ใช้ไฟส่องสว่างเน้นแนวกำแพงและซุ้มโค้ง (Accent Lighting) เพื่อโชว์ความสวยงามของโครงสร้างสถาปัตยกรรมในยามค่ำคืน
-
Technical Specification:
-
ติดตั้งโคมไฟผนัง (Wall Bracket) โทน Warm White เพิ่มความอบอุ่นและหรูหรา
-
ใช้โคมไฟฝังฝ้า (Downlight) สำหรับพื้นที่ใต้อาคาร เพื่อความสว่างที่สม่ำเสมอในการสัญจร
-
เลือกใช้โคมไฟมาตรฐาน IP66 สำหรับพื้นที่ภายนอก เพื่อความทนทานต่อสภาพอากาศ
-
คลังภาพโครงการ

สรุปโครงการ
ประเภท
งานออกแบบระบบไฟฟ้า
สถานที่
อำเภอบางปะอิน จังหวัดพระนครศรีอยุธยา 13160
ปีที่ทำโครงการ
2024
ผลงานอื่นที่คุณอาจสนใจ
ดูทั้งหมด
ออกแบบระบบไฟฟ้าและแสงสว่าง บ้านแฝดชั้นเดียว Type B โครงการ นราเฮ้าส์ ไพรด์วิลล์ (Narahouse Pride Ville)
บริการออกแบบและวางผังระบบไฟฟ้าสำหรับบ้านแฝดชั้นเดียว Type B เน้นความลงตัวของแสงสว่างและการจัดวางจุดจ่ายไฟที่รองรับการใช้งานทุกตารางนิ้ว

ออกแบบระบบไฟฟ้าและแสงสว่าง บ้านแฝดชั้นเดียว Type A โครงการ นราเฮ้าส์ ไพรด์วิลล์ (Narahouse Pride Ville)
งานวางระบบไฟฟ้าครบวงจรสำหรับบ้านแฝดชั้นเดียว เน้นฟังก์ชันการใช้งานที่คล่องตัว การจัดวางตำแหน่งสวิตช์และเต้ารับที่เหมาะสมกับไลฟ์สไตล์ยุคใหม่

ออกแบบระบบไฟฟ้าและแสงสว่าง ทาวน์เฮ้าส์ 2 ชั้น โครงการ นราเฮ้าส์ ไพรด์วิลล์ (Narahouse Pride Ville)
บริการออกแบบวางผังระบบไฟฟ้าสำหรับทาวน์เฮ้าส์ 2 ชั้น เน้นการจัดวางตำแหน่งปลั๊กและแสงสว่างที่ตอบโจทย์การใช้ชีวิตยุคใหม่ พร้อมความปลอดภัยตามมาตรฐานวิศวกรรม